42パワーアンプlist  2024.01.06        夢クラフト ph7 金田アンプの世界
 これはph7の備忘録

 


6C6-76-42パワーアンプ 2024.01.06
かなり御老体の42パワーアンプを入手 球の余命は不明だが全て生きていた はじめから自分で組むと良いのだがパーツ集めも最近は億劫になってきた まずは動きそうなのでこれで良しとして入手
いずれにしてもカップリングコンデンサのオイルコンデンサーは取り替えよう
さらにもう少しわかりやすいようにパーツの取り替えも含み見直そう 真空管アンプに疎い私には格好の教材だ



早速オイルコンデンサーを触っているとリード線腐蝕にて線がもげてしまった
リード線腐蝕にて

6D6が付いていたが手持ちに金田アンプNo.154(310Aモノーラルプリアンプ)製作の折に使用した6C6の残りがあるので差し替えて確認を兼ねて試用してみた
 
 
整流管 2024.01.09
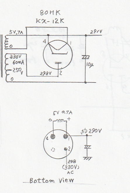
下図上段のような回路になるかと思う ④ピンから出力する 入手したものにはKX-12Kが載っていた 80HKは手持ちのラジオに載っているのでこれも使える
  
実際の配線は上図下段のようになっていた 
それにしても電圧が少し低い? ①ピンから取るとこうなる物か 真空管に疎い私には良くわからない
「真空管いろいろ/12F・12FK・80BK」でサーチするとAmebaブログにこの整流管に近い3本足のものの規格が載っていてその備考欄には「入力コンデンサの+側はピン④に接続すること。」と理があるので、今回入手のアンプが何故①から取り出すのか分からない(相当無理をしていませんか 御老体)


80HK--- 12Kの強化版
手持ちのKX-12K---マツダなどで一時販売 すぐに80BKや80HKにかわった 比較的珍しい 350V60mA

回路図 手書きで見ずらいがご容赦 2024.01.10  


電源容量的にも少しオーバーしている 60mAを少し超えているかギリギリだ それでも電験トランスは御老体にも拘わらずあまり熱くならない AC商用電源も低めなので規定電圧よりも低いから尚更かも
初段と次段の電圧がおかしいが原因は究明していない

なお出力トランスがRchは逆に接続していた LとRは同じものではないから色々と支障もあるのかも これをLchと同じくすると発振してスピーカーから大きな音が出て使えない 下図の接続にてパワーは何ワットか分からないが音楽は聴ける しかも清楚な好みの音である スピーカーはフォステクスの8cmが似合いだ
ぺるけさんの6DJ8ミニワッターよりは音量があるから1W少しというところだと思う


真空管アンプは苦手である まず出力トランスに費用がかかるから6C33C-BのOTLを製作した 現在421AのOTLを製作中だがこのように寄り道してしまった ところが見た通り苦手な状況に陥った 真空管アンプはシンプルで良いと思うが知識がないのである 昔、リンカーンだとかのメーカーのラジオキットを組み立てた程度で根っからのラジオ少年ではないのだから.

ぺるけさんの資料に以下の位相関係がある 2024.01.11 
これから読めるのは上のタンゴ・REXの位相は図のとおりで合っているのだろう


6C6 6D6 2024.01.24
先の手書き回路図初段の電圧がLRでかなり違うのは元々6D6のところへ試しにLchのみに6C6を刺していたため もとに戻すと電圧のバランスがほぼ同様な値になった
規格(動作例)
6C6
Ep:250V Ip:2mA Eg1:-3V Eg2:100V Ig2:0.5mA Rp:1.5MΩ Gm:1225μモー μ:1500
6D6
Ep:250V Ip:8.2mA Eg1:-3V Eg2:100V Ig2:2mA Rp:800KΩ Gm:1600μモー μ:1280


参考
UZ−6C6 電圧増幅用五極管。検波、低周波増幅用。頂上キャップ有。
UZ−6D6 可変増幅率五極管。高周波増幅、中間周波増幅用。頂上キャップ有。
       6C6、6D6は普通シ−ルドケ−スをかぶせて使用した。
UZ−77  電圧増幅用5極管。ヒ−タ−6.3V。6C6類似。
UZ−78  可変増幅率5極管。ヒ−タ−6.3V。6D6類似。
真空管備忘録http://www.hakurei-isl.org/miyatah/hobby/vactube.htmlから

以下の真空管の実践的使用法 UZ–6D6 の巻 引用先
https://radiodesign.net/PDF/
%E7%84%A1%E7%B7%9A%E3%81%A8%E5%AE%9F%E9%A8%93/1948-10/UZ-6D6.pdf



http://www.mejogran.com/newpage3004.htm から以下抜粋引用
6D6(初段)-42(パワー管)-80BK(整流管)
初段の6D6は昔の5球スーパーラジオで多様された高周波リモート管
本当は低周波用のシャープカットオフ管の6C6を使いたかったのですが手元になし
そこで少々亜流ではありますが6D6を仕方なく使った
6D6は確かAGC(オート ゲイン コントロール)に使われていたと記憶している
高周波管の場合は低周波でも問題なく使える
42はGTスタイルの6F6と同じ真空管 6F6と言えばオルソンアンプで使われていた
古いオーディオマニアであればご存知だと思う オルソンアンプは未だNFB技術が確立される前の時代のアンプでその後ウイリアムソンアンプでNFBの素晴らしさが世に知られるようになり世のほとんどのアンプはNFBアンプとなった


アースラインBライン整理 2024.01.29
入庫時は音もかすれて発振気味 とりあえず電源トランス、整流管、出力トランスの計測等を行う
何とかなりそうな予感 ジャンクとして入手だから壊れていてもノークレームだ
「真空管 導通有 レストア 部品取 写真の現状で」とのオク内容
一番劣化するというカップリングコンデンサ(オイルコン)を取り替える やはり漏れ電流のため次段に影響があったところが散見
整流管KX-12Kの接続違いを修正しコンデンサインプット容量を現状の40から10μFに変えた
ACコードを新調
入力ピンジャックを取り替え
スピーカー接続端子を取り付け
初段6D6を6C6にして様子を見たが球周りの電圧が6D6とは異なってくる
初段のカソード抵抗1KΩが大きすぎて場所を取っているのでケミコンの増量(10→100μF)と合わせ取替
NFBの切り替えSWを新設
ここでRchのNFBが作用していないことに気づく 入力VRが左右独立しているとこのような確認もし易い
付いていた入力VRは500KΩ(A)だが計測すると左右とも1MΩに近い?
さらにアース線が地を這うように張り巡らされているので何とかしたいが建物の土台だから後から直すのにはパーツを全部撤去してからとなるので気が重いがスッキリさせるにはそれしか無い
ヒーターアースも球それぞれでシャーシアースをしているが全てパラにして電源トランスの0Vに落とした
アースとBラインはスズメッキ線を新設した 見た目だいぶんスッキリしたとは思うのだが?



76から42へのジャンクのカップリングコンデンサをオーディンキャップ630V0.22に替えた すると42のグリッドに発生していた0.数vの漏れ電圧が0.001Vというように激変 やはりジャンクのフィルムコンデンサーはNGだ

ハム 2024.01.31
VRゼロでもブーンというハムが出る Lchが多く出る
既存のパイ型フィルターのケミコンに増量してもNG やはりフィルターを1段追加しようとしたが200Ω程度の数ワットの抵抗がない スケルトン抵抗470Ωをパラ ケミコンも10μFがないのでこれはシリーズ 下の写真のように臨時のフイルターを汎用基板に組んで整流管の出口に増設した(臨時なのでパーツは別に転用もあるためリード線は切らずに使用 スケルトン抵抗のW数が足りないだろうからリード線は放熱も考慮) 
効果は抜群で数日悩まされていたハムは嘘のように消えた



取り替えパーツ 2024.02.04
ケミコンは古くとも再生するものが多いが大きく場所をとるので取り替えた L型抵抗も同様 オイルコンは取り替えが原則(10年限度と聞く) L型抵抗中0.75Wというものがあった 初めてお目にかかる
歴史を感じる骨董


NFB  2024.01.04
当初10KΩが付いていたが使用していないように見えた 当初のハムがひどいときは効果がはっきりと分かった NFBonでハムが軽減されたから 最近ハム解消にてNFBをonでもoffでも大差ないような感じ 4.7KΩに替えてonでほんの少し音量が下がったかと感じる程度


パイ型リップルフィルター 2024.02.12
だいたいアンプのこのフィルターはあちらこちらに分散した配置になっている それがセオリーのようだが自分には馴染まない 段数が多くなるほど点検時に苦労する
6F6GTパワーアンプのようにフィルターを基板に組んで一箇所にまとめたい その折に今はこのアンプ入手時のまま古いケミコンを利用しているがケミコン類も一新したい 古いケミコンの健康度合いはケミコンテスターでチエックしていないから分からないが漏れ電流が多いと6F6GTパワーアンプのように弊害が出るかもしれない

お気に入りのアンプ 2024.02.12
この①アンプと②6F6GTパワーアンプだ どちらもオクで廉価に入手したもので②はモノーラルだ
あと6V6GTパワーアンプも2台(シングルとプッシュプル)入手したが特にこの2台のアンプを上回る魅力は感じない 調整の仕方もあるのかも知れないが①と②で相当の時間をつかったので根気が無くなったのも事実だ

42で聴くビー・ジーズも良いな~ 2024.02.29


CRリップルフィルター どこに何が有るのか都度迷うのでフィルターの基板化中也 過日スケルトン抵抗470Ωをパラにして組んだ基板も取り込んだ 1段増やしたので基板にその分の1段載らないから画面中央くらいに載せる なんとなく一番最初に載せた入手直後のものよりこみいったような感じだが?


500Ω5WL型抵抗を左に置いて比較 右横の680Ωも5W 隔世の感


42カソードのケミコン容量抜け 2024.03.04
Rchの出音がLchに比べ小さい 気にはなっていたがボリウムでカバーできるからと今まで放おっておいた 主力管42のカソードに繋がる420Ω+10μF50Vケミコン部のLchは10μF50Vケミコンを現代?のものに取り替えた Rchは古めかしいものを甘んじて使っていた おそらくここだろうと目当ては付けていた これを取り替えると左右同じ出音レベルになったしハムも無くなった 現代のものに取り替えると容積も小さいから空間にゆとりが生まれるし抵抗やコンデンサーの繋がり具合もよく見えて分かる 当初はどこからどこへ繋がっているかそれらを捲らないとよく分からなかったしその際の力加減で端子がもげた 逆に弱まっていた部分だから取替の時期ということだろう 大体オイルコンは10年が寿命と聞くから中古で入手したアンプのそれらは初めから全部取り替えるべきなのだ
     DM4070の右の計測のように容量抜けというか酷い状態だつた




608に統一 2024.04.07
出力トランスが同一メーカーでなくてパワーもアンバランス 今回U-608を1つ入手して統一した
 でん
夢クラフト ph7 金田アンプの世界
  (C) Copyright 2001.ph7 All Rights Reserved.
 (C) Copyright 2001.ph7 All Rights Reserved.