No.218No.284t  ラインアンプとヘッドホンアンプ 
2024.8.31
      
 夢クラフト ph7 金田アンプの世界
 これはph7の備忘録

ラインアンプ
421AパワーアンプにCD信号を入力するにはラインアンプが必要だ ぺるけ式のプリはあるが金田式のものを用意したい ジャンクボックスに使えそうな基板があったので繋いでみることにした
下の写真の通り以前に作ってそのままの基板を寄せ集めてアルミシャーシに配置した
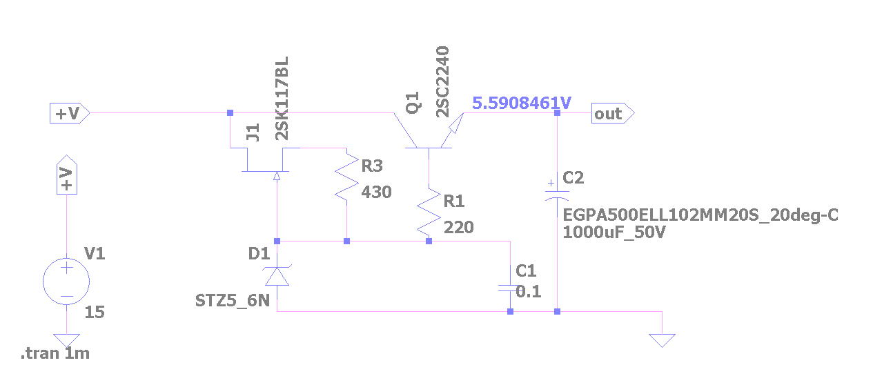
・ラインアンプ こちらに詳細
・ヘッドホンアンプ 218のページに詳細 ケースに入れたがその後解体
・リップルフィルター電源 ±4.7V
このラインアンプは電流出力 421Aパワーアンプは電流受けだからぺるけ式のプリのように出口に1KΩを付加しなくても良い
・この電源の負荷 ラインアンプとヘッドホンアンプの2つで42.5mA消費されている 0.4Wくらいだから959と606も裸では結構熱い 触っていられないほどだ



放熱器
リップルフィルター電源のC959 A606が結構熱い 熱いと言っても75℃位だがph7は熱いのが苦手 適当な太さの線を4~5回巻いてかぶせた TC-5キャンタイプに使用する放熱器は手持ちがない C960やA607の放熱器を外して使うのも自分としては嫌だから 始めからC960やA607を使えば良かった なおC960やA607は電源には向かないと聞いたことがあるし勿体ない(今回はテストケースだ)


リップルフィルターパターン
電源の回路を追いかけると次のようになっていた 自分で作って動作が分からなくなっている?




Ltspice 正負を描いてみたがうまくない
ここでは負のみテストした 実際より高い電圧だ 2SK246のデーターがなくてK30にした 2SA606はあるのだがここでは汎用品とした(20250113追加)


プラスも違った電源の方法で追加


マイナス側のシンプル版

プラス側のシンプル版

プラスとマイナス版を個別にシミュレーションすると正常の電圧が表示
プラスとマイナス版を一つの画面に入れ込みシミュレーションではNG

以下の通り NG



このラインアンプで聴くWE-421A.5998Aパワーアンプ Ioは極めて低く設定



入力ATT部
①当初ニッコームで51KΩ+10KΩ -15.7db テストしたがゲイン不足
②スケルトンで20KΩ+10KΩ -9.5db これで丁度良いかも
パイオニアの一番安いPD-10 出力レベル200mVrms(1Khz、-20dB)
パナソニックのDVD DVD-A450はかなり出力レベルが高いから①でも良かったが②にしないとPD-10ではゲイン不足 ②でもやや不足という感じだ
DVD-A450
・全高調波歪率 CD:0.0025% (EIAJ)
・S/N比 CD:115dB
・ダイナミックレンジ DVD(リニア音声):102dB、CD:99dB
・アナログ出力×1系統、デジタル出力×1系統、非連動の外部電源コンセント×1系統
・リモコン:VEQ2016
・外形寸法:460(W)×102(H)×290(D) / 4.5kg


PD-10
 
他の機器を見ても音声出力レベルはPD-10と変わらない PD-10がレヘルが低く感じるのは?DVD-A450の仕様の詳細が探しても見つからない
DVDプレーヤー「DV-K2」日立製作所平成10年5月12日86,000円
【主な仕様】
品名 DVDプレーヤー
型式 DV-K2
対応ディスク DVDビデオ、CD、ビデオCD、CD-R
信号方式 EIAJ標準NTSCカラー方式
使用レーザー 半導体レーザー 波長 650nm(DVD)
波長 780nm(CD、VCD)
S映像出力端子 Y出力レベル 1Vp-p(75Ω)
(1系統) C出力レベル 0.286Vp-p(75Ω)
映像出力端子 出力レベル 1Vp-p(75Ω負荷時、同期負)
(1系統) 端子 ピンジャック
音声出力端子 デジタル音声出力レベル 200mVrms(1Khz、-20dB)
(2系統) チャンネル数 2チャンネル
*デジタル音声特性
周波数特性 CD:4Hz-20KHz(EIAJ)
DVD:4Hz-22Khz(48Kサンプリング)
4Hz-44Khz(96Kサンプリング)
SN比 110dB
ダイナミックレンジ 100dB
全高調波歪み率 0.003%
ワウ・フラッター 測定限界(±0.001%W.PEAK)
光デジタル出力端子 Dolby Digital/LPCM、 LPCM、オフ切換可
本体寸法(mm) 幅434 × 高さ98 × 奥行き315
重量 4.1Kg
消費電力 22W
 

 
夢クラフト ph7 金田アンプの世界
  (C) Copyright 2001.ph7 All Rights Reserved.
 (C) Copyright 2001.ph7 All Rights Reserved.