|
とりあえずラインアンプ TR1が? |
|
![]()
下の回路図をクリックすると上図の より詳細なVBEデーター等を記載 ![]() |
|
| SAOCからは22.09Vが吐き出されているからTR1のベース22.78Vもこれと同じのハズ 測定時タイムラグの誤差と思うが一致させないと・・・ このままだとTR1とTR2の消費電流=TR3が一致しないし TR3の負荷抵抗が220Ωの固定抵抗を下回らないと調整不能? EQも同様の傾向 |
|
|
EQアンプも? ![]() こちらもラインIVC同様1V違うと思われる 下の回路図をクリックすると上図の より詳細なVBEデーター等を記載 ![]() オフセット電圧はLINEもEQも もう一桁小さい 私の入力ミスだ |
|
| どちらの回路もTR1のエミッターとベースの電圧関係がおかしい |
|
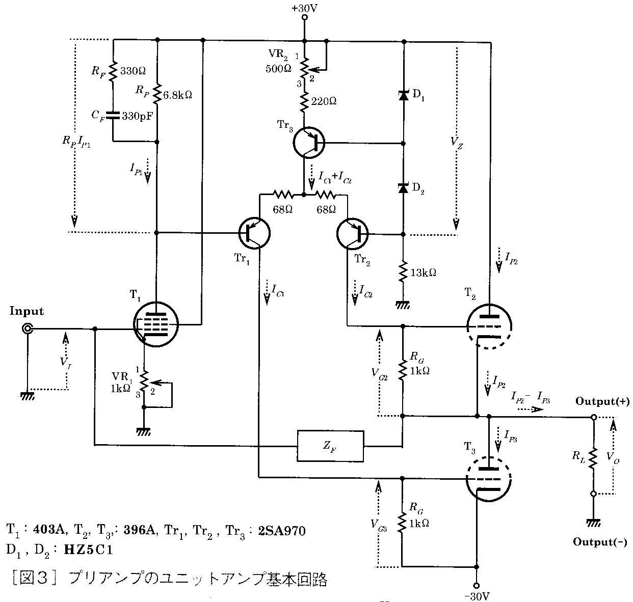
このラインアンプがシンプルで気になっていた 次号でパターンは発表されるが取り急ぎ描いてみた球はソケットを使う 金田先生はもっと合理的に描くだろう 楽しみだ ![]() SAOCは以下のものではなくNo.272の回路としている 電流伝送とする出力のスケルトン抵抗は私の場合2本必要なのでそのスペースを取っている 抵抗値は1.8KΩ強なので2本で合成している 1.8KΩ1本で間に合うと良いのだがモノーラル用のNo.219チャンネルフィルターアンプはクリチカルなのだ TR1とTR2はもっと寄せないと熱結合が出来ない 少し寄せた T1のPと300Ωが繋がっているが隣の3.3KΩの誤り T1のK・G3からの半固定抵抗は103でなく102の誤り ![]() No.278は+7.5Vを必要としているが上のパターンはダイオードで固定した方式 手持ちのパーツで組んで見る 403Aと396Aも少しストックがあった ヒーター回路も以前にテストで組んだものがある それにしても金田先生は最近LM317 350 338以外のICをヒーター回路に使っている しかも電流容量1.0Aのものにギリギリ流して保護回路が云々とある 0.5Aなら放熱器も要らないとしているが私は熱恐怖症のため放熱器付加するが ![]() 上のTM-7Pの500Ωは出番がなくてもったいない 220Ω固定抵抗だけでIo約13mAとなり所定の15mAにするには200Ω程度にするか 右下のコパルλ13Tの半固定は3回転のTM-7Pに替えた T1のカソード付いているコスモス12Pもスムーズに調整できるからここはこのままとした |
|
SAOCのフィルターパーツだが指定の値がなくて下図のようにした 0.46μFと3MΩ ②は記事の値で金田先生は0.11ヘルツのフィルターと文中述べておられ当然だが計算上も合致 ![]() 製作して音出しまで |
|

| (C) Copyright 2001.ph7 All Rights Reserved. |