抜粋

--------->
http://www.aes-japan.org/index-j.html
7/14以降、発表内容は公開しても良いことになっていますので、本ページでご紹介いたします。
![]()
「21世紀夢のオーディオ電源回路」出川三郎氏 特許申請中
実際の回路は、本電源回路に付加される。7月14日以降。AES発表後となる。
AES=Audio Engineering Society
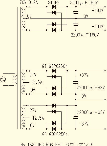
下図は、最近の金田式半導体パワーアンプのベーシック電源回路であり、これに21世紀夢のオーディオ電源回路にするにはどうするのかということであり、近く公開するものである。

基本的には、No.159等多くのパワーアンプもこの回路。TS−180トランス。