|
| これはph7の備忘録 |
2017.11月号のMJから ![]() ![]() |
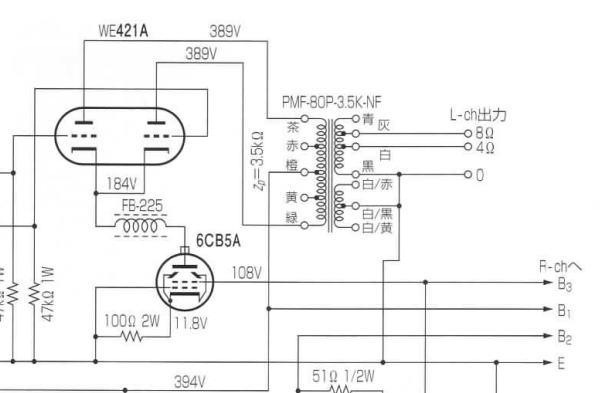
| 征矢進氏の記事がネットに出ていた ムラード型位相反転を出力段に使用したWE421Aプッシュプルパワーアンプ WE421Aを使相しました が, 8月号で紹介した実験アンプ (5998A)と比較試聴してみたと ころ,若干の違いこそあれ いず れも遜色ありませんでした です から追試される方は,高価で入手 しづらいWE421Aではなく,入 手しやすい5998Aで試されたほ うが製作しやすいと思われます. とのことだ |



| 夢クラフト ph7 金田アンプの世界 |
| (C) Copyright 2001.ph7 All Rights Reserved. |
| (C) Copyright 2001.ph7 All Rights Reserved. |