MC-hedAMP

  2020.11.18
         

 これはph7の備忘録

金田アンプでは別冊の単行本にヘッドアンプの記事がある No.35と同様かは確認していないが唯一の記事かと思う パイオニアA-30はMMイコライザーのみなのでこのアンプで完結しようとするとヘッドアンプが欲しいがプリの出力をこのアンプのダイレクトに入れてパワー部だけ使えば良いからこれで事足りる 仲々製作に至らない
年月  No  内 容
'79 6  35  MCヘッドアンプ

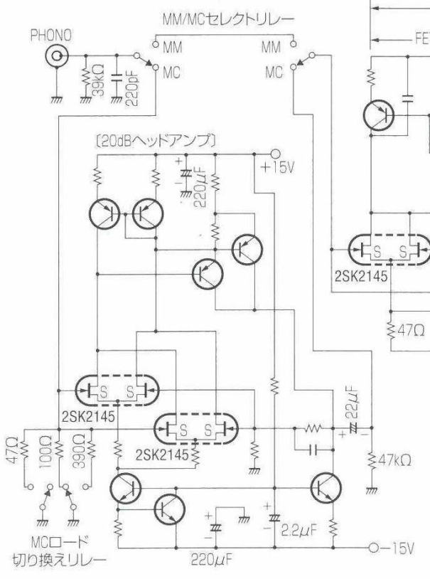
マランツMODLE-30の回路の一部
なかな興味のある構成になっている
初段は2SK117相当のチップ(あるいは2SK209, 2SK880)をデュアルにしたものと言われている 秋月電子でも見られるが私はデジキーで求めた記憶がありNo.219電流伝送チャンネルフィルターに使ったことがある このように2段にして利得を稼ぐのだろうしメンテの面からも2SK43等の3本足は使わず2SK2145のような面実装タイプの現行品になるのか
2SK2145



 (C) Copyright 2001.ph7 All Rights Reserved.