はじめの内容は以下の通りとしてC2の耐圧を過剰に見積もった  ここは廃棄ページ


ジャンクパーツにてケミコンテスターを製作した 今回はNo.2となる 電源トランスに160V.180V.200V端子があったので160Vを用い電圧可変はスライダップトランスとした 350V耐圧ケミコン以上のものまで測定できる 回路には450Vのケミコンをシリーズにして耐圧を稼いでいる
ただ、これでも以下の※参考を考慮すると350Vの測定はC1は良いがC2が耐圧オーバー NGかも知れない

製作記事も散見するがC2の耐圧は考慮されていないものが多い 例:C1C2共160V耐圧や200V、250Vを用いているものを見受ける 唯一350Vというものがあった

問題は被測定ケミコンの充電容量を早く放電したいとして10KΩの抵抗を配したがトグルSW2の耐圧だ このディスチャージ回路もネットの製作記事では耐圧不足が多いと思う

※参考
倍電圧整流回路 コンデンサ耐圧」でサーチ AIによる概要

倍電圧整流回路のコンデンサ耐圧は、入力交流電圧のピーク値(最大値)の2倍以上が必要
これは、コンデンサが入力AC電圧のピーク値の約2倍の電圧(出力直流電圧)を蓄えるため、耐圧が不足すると破壊に至るためで、通常は入力AC電圧の2倍+α(余裕分)の定格電圧を持つコンデンサを選ぶ

倍電圧整流回路の動作と耐圧の考え方 
倍電圧整流とは:
入力される交流電圧のピーク値の約2倍の直流電圧を得る整流回路
 
コンデンサにかかる電圧:
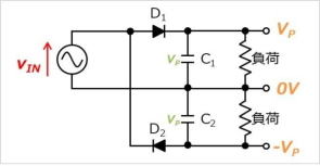
回路図でC1とC2のコンデンサは、それぞれ入力AC電圧のピーク値(Vp)と、そのピーク値の2倍の電圧(2Vp))を充電・放電する

耐圧の選定:
C1:AC電圧のピーク値Vp(入力AC電圧の√2)倍)が印加されるため、最低でもVp以上の耐圧が必要
入力AC電圧の確認: 例えば、実効値100VのAC入力なら、ピーク値は100V×√2=141V)。C2には約282Vがかかる計算になるため、DC350VやDC400Vといった高耐圧品が必要

C2:出力電圧(約2Vp))に相当する電圧がかかるため、最低でも2Vp以上の耐圧が必要

安全マージン:
実際の設計では、上記の最低値に加えて、リップル電圧や過渡現象による電圧スパイク、素子の劣化(エーアイシーテック株式会社)などを考慮し、定格電圧に十分な余裕を持たせることが重要 例えば、入力がAC100V(実効値)ならピーク値は約141Vなので、C2には200V以上の耐圧コンデンサを選ぶといった具合

まとめ
倍電圧整流回路では、入力AC電圧のピーク値の2倍の電圧がコンデンサにかかることを意識し、安全マージンを考慮して定格電圧の高いものを選ぶのが基本

別な記述 倍電圧整流回路 コンデンサ耐圧でサーチ
1. ダイオードとコンデンサによる充電・放電: 入力AC電圧が正の半サイクルでダイオードD1とコンデンサC1が充電され、C1には入力電圧のピーク値()が蓄えられる。
2. 電圧の重畳: 次にAC電圧が負の半サイクルになると、ダイオードD2が導通し、C1に蓄えられた電圧()と、入力AC電圧のピーク値()がコンデンサC2に重畳される。
3. 出力電圧: その結果、C2には約2の直流電圧(リップル成分を含む)が発生する。