|
| これはph7の備忘録 |
MJ 2024/9 2024 秋号 DCアンプシリーズ No.295光カートリッジ DS E1用真空管DC プリアンプでの出来事 従来金田式の真空管アンプには、WE396Aが使用されることが多かった これは入手困難なので入手のしやすいヒータ電圧20V以外は同じ特性の407Aを使用することになったとのこと これにて396Aプリアンプを超える音質となったと この音質向上については想定外で今後において謎を解く必要がでてきたとのことで 金田先生は休む暇が無い 今後に期待を込めて 楽しみ |
| ヒータとカソードの間の絶縁耐圧Eh-k WEの407A130V Tung-SolやSYLVANIAの規格表には100Vとある メーカによっても差がある 違う球の408AはEh-kは120V(ただし,WEの規格表には寿命を考慮して90Vを超えないことと言うnoteあり) それぞれ意味を持っているのだろうが理由を知りたいものだ 407Aは手持ちあり 396Aや404Aのように黄色文字の印刷が盛り上がっていなくて何となくリプリントの感じ 簡単な1球のラインアンプを組んで音を聴いた 音は出るも本物かどうかの判断はできず やれやれ ![]() 本物はこんな感じ しかしこのモッコリも作れるというから?それにしても1球のシンプルなラインアンプは魅力的だ ![]() プリントが怪しい ![]() ここの407Aとも似ているから杞憂か? ![]() ラインアンプ バラックでラインアンプを組んでみた ![]() ![]() もう少し分かりやすく基板化してケースに入れよう +Bは133Vと少し低いが負荷抵抗を27KΩにして見た カソード抵抗には1.2KΩくらいが良いみたいだ ここは音にも影響すると思うからスケルトン抵抗を配した 1.4mAくらい流れる カソード電圧は1.6V強となる 133V/27KΩ=4.9mA 4.9mA流れるときの-1.7Vの抵抗は -1.7/1.6mA=1.1KΩ これを下のグラフに示す なお、SYLVANIAのノートではカソード抵抗240Ωとなっている となるとプレート抵抗は18KΩ位 カソード電圧は0.8V カソード電流は3.4mAで良いかな ![]() ![]() 回路図とパターン 396A 407Aは左右対称ピン配置 パターンも直感的に配置できる 150KΩのNFBは付けていない 付けると相当ゲインが落ちるしNFB無しでもNFB効果上の問題はないと見た Lchのパターンは一部省略している ![]() ジャンクのケースに急遽組んだ 音を確認したくて出力コンデンサーや入力抵抗をL・Rで変えてみた あとは出力側のRCAジャックを追加して1KΩを介して電流伝送を用意したい それを製作完了の421Aパワーアンプの前置にしたい Lch Capacitor Paper MBM 160V 0.25uF USSR オイルペーパーコン 入力の小さい0.5Wの抵抗はビスパの精密抵抗 396Aがあるからヒーターを変えて聴いてみると手持ちの407Aの出所が判るだろう ヒーター電圧管理は十分気をつけること ヒーターコネクターが2つあるので差し違わないよう戒め 5670も数本あるのでこれとの比較も面白いが過去に比較して5670は396Aに惨敗 ![]() このラインアンプで421Aパワーアンプを聴く ![]() HARBETH ACOUSTICS H.L. MONITOR MK ⅡのスピーカーがL・Rでゲインが違う(Rは純正Lは類似品)のでVRを別々にした また電流伝送で送り出すようにした 抵抗はビスパの音響用金属皮膜抵抗:1.2KΩ/±0.25%品0.6W @55 ![]() このラインアンプの電源 No.157用に作ったものだがヒーター電圧の20Vを19.5V4.7AのACアダプターを追加して間に合わせている 高圧は±130Vあるが+のみで足りるので何か勿体ないが実験的なものだから ![]() |
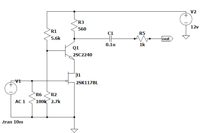
| LTspiceでシュミレート プレート電圧85V カソード電圧2.1V 実際とは少し違う ![]() K117BLラインアンプ 真空管は少し大げさなので半導体でラインアンプを組んだ ltspiceで見ると動作するようだ 421Aに合うように出力は電流伝送とした 音は高域がキツいと感じる C1を色々替えても変わらない Q1コレクターとVccの間に3000pF位を入れる(R3にパラにする)と高域のキツさがなくなるようだが試していない こうなると球の方に軍配は挙がる ヒーターとか高圧とか少し手間だが良い音は見逃せない 407Aの方も+30V位で動かすとだいぶん楽になる まず感電しないから ![]() 12Vを左のLM317で9Vに安定化して使用してみた 音の傾向は変わらない ![]() 突入電流 球アンプの407A(ヒーター20V時0.1A)を5670(ヒーター6.3V0.35A)に替えて ヒータ電流を計測 SWon時 左957mA 安定して右357mA やはりヒーター遅延回路が必要な気がする 過去にも同類の計測時はSWon時約1Aの電流が瞬時に流れるケースでピカッとヒーターが光る嫌な状況を散見 なんとも無いとは言われても嫌なものだ ![]() 出音の違い 20241218 MJ冬号で 金田先生解明 光カートリッジ用の①オール407Aプリと②403A-396Aプリアンプ これらの音の違いが気になった その差は、アンプ構成の差であり ①407AはEQアンプもLINEアンプも2段差動アンプ ②403A-396Aプリアンプの方はEQアンプは2段差動アンプ、LINEアンプは初段が403Aのカソード接地アンプで1段差動アンプ構成 音の違いは差動アンプの構成で決まるに違いないとされている 音の豊かさ 2段差動構成では、特に低音楽器の音の豊かさとされている 以上 初段差動アンプの効果 と題して述べておられる 前掲の回路の電圧とグラフはAC100Vが出ていない時に計測したもの 今回はシナノの安定化電源とスライダップで100Vにしておいてのデータだ 黒Rch赤Lch ![]() グラフも納得の行くものだ Lchのみ 後から製作のC3gラインアンプはグラフに落とすとどうも納得が行かないので今回それとの対比として計測した C3gの納得できない点はg1の電圧ラインが大分ズレてしまうことだ データー等はそちらのページ参照(ページ制作中の場合は容赦) ![]() ※カソードの抵抗値が1.22KΩ程度なので青線のアンペアが1.55mA位になる |
| 夢クラフト ph7 金田アンプの世界 |
| (C) Copyright 2001.ph7 All Rights Reserved. |
| (C) Copyright 2001.ph7 All Rights Reserved. |