No.128 プリメインアンプの思い出
2018.12.5
|

|
No.128 オールFET万能型スーパーストレートプリメインアンプ
<< 行きつ戻りつ
フルシステムでレコードを聴くのが億劫になることがある
ipodで聴くも少し(相当)物足りない
audio-technica iPod/iPhone用アクティブスピーカー AT-SPE9i WH

このようなとき聴きたいのはコンパクトでも良いからやはり金田アンプ
コンパクトなプリメインアンプときたらNo.128しかない
昔(平成6年、1994.5.14〜15 in新冠町)、金田アンプ試聴会でもこのアンプのパワーアンプ部が使われた 当時電源は記事に忠実なナショナルハイトップだった
プリアンプは金田先生が持参の真空管プリアンプ
('94.03 132 真空管-FETハイブリッドDCプリアンプ)ヒーターに12Vの鉛バッテリーを使うタイプ
あのときの新鮮な音がいまでも耳に残っている
どこかに書いたが曲が終わると全道からの参加者が皆自然と拍手した
再生音で拍手した
これはDCフラッシュの1号で紹介している http://ph7dc.but.jp/dc_amp/dcflashNItsuite.html
昨夜このアンプの回路を見直してみた プリEQ部電圧を±15Vにしよう
パワー部電圧は終段も含め±20Vで進める どちらのREG電源も手持ちがあるからだ
2018.12.07
このアンプはシンプル極まりない プリ部はイコライザのみでフラットアンプは無い
パワー部は @http://www.geocities.jp/mutsu562000/hp004.htm でも紹介されている このことはNo.128でも触れた(@のページもゲオシティズの2019.3.31hp廃止により見れなくなる)
これが弁当箱ケース(タカチのOS49-20-33SSケースを勝手にこう読んでいる)に収まる
電源も省略化しよう ±20Vのケースは余裕があるのでこの電源ケース内に±15VREGを組み込んでみたい あるいはこの弁当箱ケース内に押し込めるか?
なお、パワー部はオリジナルを改造してドレンフォロにしているがその部分を取り外しオリジナルに戻したい
行きつ戻りつ >> 回り道が好きなph7
音出しをしたが、Rchはオリジナルに戻し Lchはドレンフォロ追加のまま Lchの所作がおかしい やはり余計なことはしないことだと思った
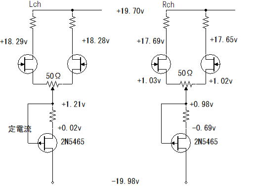
@の定電流回路にオリジナルには無い680Ωが入っている これでIoは110mA流れている これが無いとフルに電流が流れる(計測していないが記事では150mAがマックスとなっている)
@の2段目差動アンプの100Ω(Io=120mA)はオリジナルでは240Ω(Io=110mA) 電圧も±27Vとしているから抵抗値を変えたのだろう
2018.12.09
所作がLとRchで大きく変わる 同一基板なのに一番困ることだ EQはほぼ問題ないが
EQ
オフセット調整はとして必要な場合はR1またはR2にRsを追加している
下図のR1またはR2〜Lchは固定抵抗68ΩでOKだがRchは2.5Ω程度でバランスが取れるので半固定抵抗とした これで±100mVに収まる
FA 〜 付いていない
パワー部
LRchともにオフセット調整は50Ω固定抵抗としてとし更にR1またはR2にRsを追加している
またIo調整抵抗を初段定電流回路に付加した Lchは450Ωで110mAにRchは680Ωで110mAに設定した 所作が変なのはRchの680ΩのところをショートするとIoがほとんど流れなくなりVoが-5V以上発生? Lchの450ΩのところをショートするとIoは少し増加Voはほぼ変わらない Lchの動作が正常なのだ(ただIoの増減があまりないのは?) このことはIo調整抵抗を付加しないと正常に動作しないRchに隠れた何かが棲んでいるということだ
記事ではIo調整抵抗は無く100〜150mA流れるはずだとしているから当初はこの方法を取ったためVoが-5V以上も出るしIoは流れないし・・・閉口した
やはりRchはおかしい Io調整抵抗には1mAも流れないのにR1R2にはそれぞれ1.2mA流れている 2N5465を疑ってみよう (ここの記述は勘違いが多いから無効)
それでもヒヤリング
久しぶりに初号機の音を聴いたが全く遜色ない スピーカーはフォステクスの8cmシングルコーンEF-87だ フォノモーターはCECの古いリムドライFR-250にウッドアーム+DL103 この程度コンパクトなセットも時として必要になるから人というものは行きつ戻りつ我儘な存在なのだから本当に悩ましい
|
 |
パワー部定電流/Io調整

|

|
2018.12.10
パワー部の前述の思い違い
上のグラフは2N5465のIdssが4mAより大きいものが多いことからその場合のバイアス抵抗の概数を求めるもの
エクセルの表に貼り付けたものは別としてそれからはみ出たエクセルの表とは少しずれており誤差はあるが大まかな抵抗値を推測できる (検証:Idss=4mAの抵抗値はほぼ0Ωで判る)
このグラフからLchの2N5465のIdss=10mA Rchは13mA程度と推測されるからそれに見合ったバイアス抵抗が必要であり現在450Ωと680Ωが付いている(逆的発想)
それを無視してショートすると回路は混乱する訳だ ちなみにRchの2N5465を外して計測すると10mA程度でありこのグラフと少し誤差がある
記事ではIo調整抵抗は無く100〜150mA流れるとしているがその前提として2N5465にIdss=4.0mAのものを使ってということだ
ただし私が取り付けた450Ωと680Ωはこのあたりの数値だろうとして適宜取り付けたものだ グラフからIdss=4mA流すにはLchは計測していないがRch10mAの素子だから460Ω程度が求められる 果たしてこれでIoがいくら流れるか その数値がこのアンプの設計値ということになる(素子のばらつきは別としてだが)
|

記事のグラフをエクセルから外してエクセルにてより正確にしてみた
|
2018.12.12
製作当時のメモが見つかった Rchの2N5465はIdssが13.3mAのものを使ったとある そのまま取り替えていないと思うが今回計測すると10mAだった? Lchのメモは見つからないがRchと同じと思われる
結局 Lch Rchとも470ΩにしてみたがIoに大きな変動は無く110mA程度流れる これにて定電流回路にはLchが2.53mA Rchには3.55mA流れる(50Ωの抵抗値も絡むからもう少し減少するか) 少し流す電流が足りないがこれで良とする

聴いてみた
カム・フライ・ウィズ・ミーはブンブンとベースが唸る 10センチと8センチのフォステクススピーカーがあるが8センチの方が好みだ シングルコーンの良さが発揮できた組み合わせとなった
|
±15V REG
パワー部の±20Vの電源はREGを介して供給している
この±20Vの電源からお裾分けしてこのアンプの弁当箱ケース内に±15VREG基板を配してプリアンプの電源とする(ダブルREGとなる) そうなると極力小さくまとめたいので下図のようにコンパクトな基板にした K215/J77による簡易REGで50mA取れれば良い

※RSは13KΩにて16Vとなったが精度は問わないからそのまま使う

ケース右下の片隅が空いていたのでここへ押し込んだ 裏面はショート防止用フィルムを貼り空中配置にした
これにて繋ぐ電源もひとつで良いが弁当箱ケースの厚みで倍はあるタカチのOS88-20-33SS
電源というものはトランス方式を使うため重いのが難点か さりとてスイッチング方式はNG
本当は以下のようなNo.192に使用のトランスを用意すれば良いのだが手持ちのトランス活用とした
本音はこのTK-P2を1つ欲しいところだ


SiCは高いので手持ちのK3192を終段に使っているREG 回路はNo.251で最近のREGは本当にコンパクトで効率が良い 写真のRコアトランスは30V-0-30Vのもので4Aくらい取れると思う 25年以上も前のもの

|
| (C) Copyright 2001.ph7 All Rights Reserved. |